
PDF Publication Title:
Text from PDF Page: 275
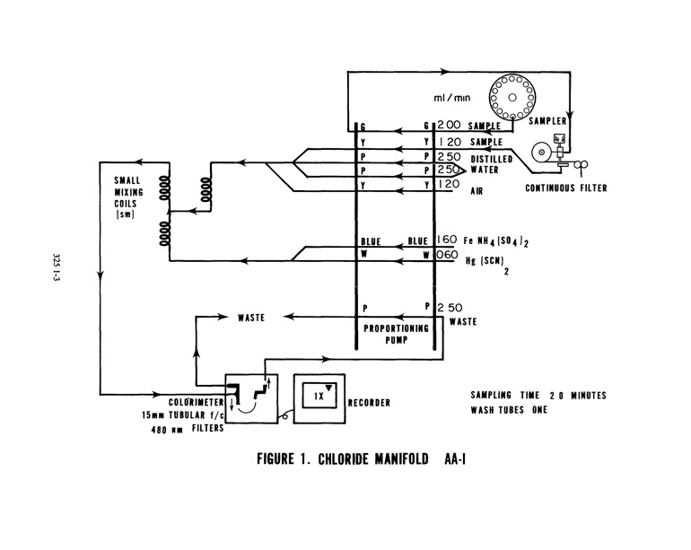
Wt v Vl ..- J W I ( / WASTE t~ - I ,.J 2 SMALL MIXING COILS ISIII) y : DISTILLED " I20 AIR CONTINUOUS FILTER I I~LUE p :BLUE~ FeNH4(S04J2 W 0 6 0 H g I S C N ) 15•• TUBULAR tiel" '0 480 • • FILTERS SAMPLING WASH TUBES ONE G1 2 0 0 SAMtlE ry YI~I20 SAMItLE I ~ : p II( <: P P25 WATER PROPORTIONING PUMP IRECORDER WASTE FIGURE 1. CHLORIDE MANIFOLD AA-I olI( P~ 50 ml/mln TIME 2 0 M INUTESPDF Image | Methods for Chemical Analysis of Water and Wastes
PDF Search Title:
Methods for Chemical Analysis of Water and WastesOriginal File Name Searched:
epa600_4_79_020.pdfDIY PDF Search: Google It | Yahoo | Bing
CO2 Organic Rankine Cycle Experimenter Platform The supercritical CO2 phase change system is both a heat pump and organic rankine cycle which can be used for those purposes and as a supercritical extractor for advanced subcritical and supercritical extraction technology. Uses include producing nanoparticles, precious metal CO2 extraction, lithium battery recycling, and other applications... More Info
Heat Pumps CO2 ORC Heat Pump System Platform More Info
| CONTACT TEL: 608-238-6001 Email: greg@infinityturbine.com | RSS | AMP |