logo

Methods for Chemical Analysis of Water and Wastes

PDF Publication Title:

Methods for Chemical Analysis of Water and Wastes ( methods-chemical-analysis-water-and-wastes )

Previous Page View | Next Page View | Return to Search List

Text from PDF Page: 491

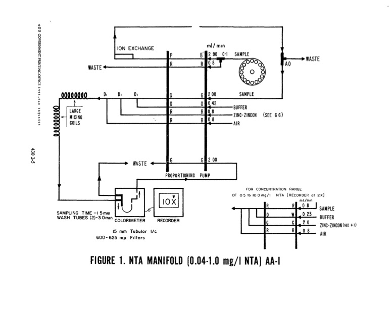
""- Vol o ~ VI - WASTE I -. ~t flJ *c: V> C) I ~ !C) Q~ .... ION EXCHANGE I P R mil min B/ 2 90 C-l , SAMPLE ILo- '" .a_aa_ "' 200 ... ZINC-ZINCON '" :COILS "' "' :: c WASH TUBES ( 2 ) - 3 0 m l n COLORIMETER RECORDER BUFFER ZINC-ZINCON(SfE 61) AIR WASTE .... ,GG .'.". '" .... ( " " '" ..

PDF Image | Methods for Chemical Analysis of Water and Wastes

methods-chemical-analysis-water-and-wastes-491

PDF Search Title:

Methods for Chemical Analysis of Water and Wastes

Original File Name Searched:

epa600_4_79_020.pdf

DIY PDF Search: Google It | Yahoo | Bing

CO2 Organic Rankine Cycle Experimenter Platform The supercritical CO2 phase change system is both a heat pump and organic rankine cycle which can be used for those purposes and as a supercritical extractor for advanced subcritical and supercritical extraction technology. Uses include producing nanoparticles, precious metal CO2 extraction, lithium battery recycling, and other applications... More Info

Heat Pumps CO2 ORC Heat Pump System Platform More Info

CONTACT TEL: 608-238-6001 Email: greg@infinityturbine.com | RSS | AMP