logo

Methods for Chemical Analysis of Water and Wastes

PDF Publication Title:

Methods for Chemical Analysis of Water and Wastes ( methods-chemical-analysis-water-and-wastes )

Previous Page View | Next Page View | Return to Search List

Text from PDF Page: 372

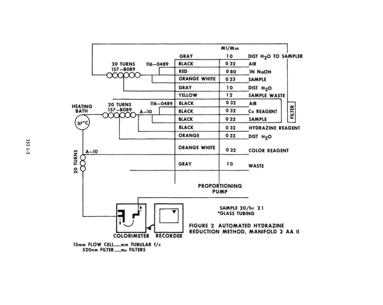
w Ul -W I Ul SAMPLE HYORAZINE RI GENT OIST H2O T H ATING .ATH ~:3 20 TURNS -XY:' J..JJ I BLACK BLACK ORANGE ORANGE WHITE I:ll: LU ~ A-10 >< ~ GRAY COLOR REAGE WASTE 20 TURNS 157-B089 116-0489 I I AIR 1N NoOH SAMPLE OIST H2O SAMPLE WASTE AIR Cu REAGENT -- Xx... X X 116-0489 157-BO!.9_ A 10 I BLACK ~ .Jt 0 t~ 11 COLORIMETER RECORDER SAMPLE 20/hr 21 *GLASS TUBING 15mm FLOW CELL_mm TUBULAR f/c 520nm FILTER_m,u FILTERS GRAY BLACK REO ORANGE WHITE GRAY YELLOW BLACK MI/Mm 10 0 3 2 080 023 10 12 032 032 0 3 2 0 3 2 0 3 2 032 10 I OIST H20 TO SAMPLER PROPORTIONING PUMP FIGURE 2 AUTOMATED HYDRAZINI REDUCTION METHOD, MANIFOLD 2 A A II

PDF Image | Methods for Chemical Analysis of Water and Wastes

methods-chemical-analysis-water-and-wastes-372

PDF Search Title:

Methods for Chemical Analysis of Water and Wastes

Original File Name Searched:

epa600_4_79_020.pdf

DIY PDF Search: Google It | Yahoo | Bing

CO2 Organic Rankine Cycle Experimenter Platform The supercritical CO2 phase change system is both a heat pump and organic rankine cycle which can be used for those purposes and as a supercritical extractor for advanced subcritical and supercritical extraction technology. Uses include producing nanoparticles, precious metal CO2 extraction, lithium battery recycling, and other applications... More Info

Heat Pumps CO2 ORC Heat Pump System Platform More Info

CONTACT TEL: 608-238-6001 Email: greg@infinityturbine.com | RSS | AMP