
PDF Publication Title:
Text from PDF Page: 100
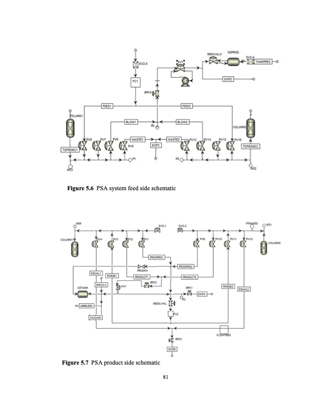
Figure 5.6 PSA system feed side schematic Figure 5.7 PSA product side schematic 81PDF Image | LIMITS OF SMALL SCALE PRESSURE SWING ADSORPTION
PDF Search Title:
LIMITS OF SMALL SCALE PRESSURE SWING ADSORPTIONOriginal File Name Searched:
Limits of Small Scale PSA_Aaron Moran.pdfDIY PDF Search: Google It | Yahoo | Bing
CO2 Organic Rankine Cycle Experimenter Platform The supercritical CO2 phase change system is both a heat pump and organic rankine cycle which can be used for those purposes and as a supercritical extractor for advanced subcritical and supercritical extraction technology. Uses include producing nanoparticles, precious metal CO2 extraction, lithium battery recycling, and other applications... More Info
Heat Pumps CO2 ORC Heat Pump System Platform More Info
| CONTACT TEL: 608-238-6001 Email: greg@infinityturbine.com | RSS | AMP |